作者查詢 / ryan123740

總覽項目: 發文 | 留言 | 暱稱
作者 ryan123740 在 PTT 全部看板的留言(推文), 共526則
限定看板:全部
[Coin] Excel幣空投
[ DigiCurrency ]646 留言, 推噓總分: +317
作者: donaldmusk - 發表於 2024/12/26 23:01(1年前)
557Fryan123740: 0x3cb153ea3eb30bf67e82eba11075a9582e1bda08acc6c12/29 13:25
558Fryan123740: 3000f0149e4f372190d12/29 13:25
[iAPP] FooTinder - 美食餐廳 x 推薦地圖
[ iOS ]37 留言, 推噓總分: +31
作者: yfr - 發表於 2023/05/02 12:05(3年前)
15Fryan123740: 推05/02 19:33
[情報] 報名階段最後衝刺!(報名就送1石
[ ToS ]236 留言, 推噓總分: +196
作者: emuless - 發表於 2021/10/11 19:30(4年前)
193Fryan123740: 樓上已寄邀請 65951654310/12 19:08
[攻略] 四月挑戰LV.10 低轉珠能力需求打法
[ ToS ]39 留言, 推噓總分: +28
作者: luke2 - 發表於 2021/04/04 20:08(5年前)
6Fryan123740: 請問第四階段迪加能換嗎?04/04 21:43
[爆卦] 地震已回收
[ Gossiping ]277 留言, 推噓總分: +228
作者: kevin4201153 - 發表於 2021/03/28 14:42(5年前)
146Fryan123740: 以為幻覺03/28 14:42
Re: [攻略] 瓦傑力拉 討伐戰困難100%-愛莉絲已刪文
[ ToS ]5 留言, 推噓總分: -1
作者: windzek - 發表於 2021/01/17 00:52(5年前)
3Fryan123740: 我記得好像有說是bug可能被修了吧01/17 01:47
[閒聊] 現在沒有抽到大獎 造型不給看?已刪文
[ ToS ]56 留言, 推噓總分: -25
作者: melo3456 - 發表於 2021/01/12 14:23(5年前)
53Fryan123740: 笑死01/13 09:26
[閒聊] 塔快倒了
[ ToS ]64 留言, 推噓總分: +52
作者: acer5738G - 發表於 2020/12/23 10:34(5年前)
36Fryan123740: 樓上那是神魔工程”帥”....12/23 14:04
[閒聊] 19.4 版本 7天簽到 送大卡池x1 分享串
[ ToS ]81 留言, 推噓總分: +53
作者: maxliao - 發表於 2020/10/19 00:45(5年前)
2Fryan123740: 紅寶石10/19 00:54
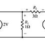
[請問] 電路-重疊定理題目
[ ask ]4 留言, 推噓總分: +2
作者: sce987 - 發表於 2020/10/13 11:28(5年前)
2Fryan123740: 電流源會走短路那條 所以1A的電流不會經過R110/13 19:00
3Fryan123740: 相加或相減要看極性10/13 19:01