作者查詢 / e22

總覽項目: 發文 | 留言 | 暱稱
作者 e22 的總覽 (PTT發文,留言,暱稱)
發文數量: 0
收到的『推』: 0
收到的『→』: 0
收到的『噓』: 0
留言數量: 3
送出的『推』: 1 (33.3%)
送出的『→』: 2 (66.7%)
送出的『噓』: 0 (0.0%)
使用過的暱稱: 0
e22 在 PTT 最新的發文, 共 0 篇
e22 在 PTT 最新的留言, 共 3 則
[農園] 段木香菇體驗營Part2 報名開始!!
[ Plant ]66 留言, 推噓總分: +58
作者: yoyodiy - 發表於 2019/02/13 16:13(6年前)
23Fe22: 324 一大02/14 19:23
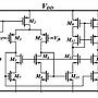
[問題] OTA設計及模擬問題
[ Electronics ]9 留言, 推噓總分: +3
作者: ap4318 - 發表於 2016/02/22 09:48(9年前)
9Fe22: 兩者差在輸出阻抗03/14 09:32
[問題] 尋找電子辭典
[ NTUST_Talk ]3 留言, 推噓總分: 0
作者: dimplegirl - 發表於 2010/11/03 13:12(15年前)
2Fe22:上週在EE撿到一台很像的電子辭典 現在在學務處 你去問問看11/05 20:54
e22 在 PTT 的暱稱紀錄, 共 0 個